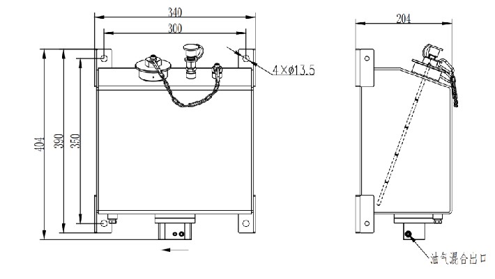
ऑप व्हील फ्लैंज लुब्रिकेशन पंप
पंप यूनिट में वॉल्यूम प्री-सेट के साथ, पंप यूनिट पर वॉल्यूम पूर्व-सेट के साथ होता है। परिवहन माध्यम के रूप में संपीड़ित हवा का उपयोग करते हुए, यह स्प्रे नलिका को प्रवाह वितरकों के माध्यम से स्नेहक प्रदान करता है, जहां यह व्हील फ्लैंज पर समान रूप से लागू होता है। इस प्रणाली को केवल एक पंक्ति की आवश्यकता होती है ताकि चिकनाई और संपीड़ित हवा दोनों को व्यक्त किया जा सके।
जब आउटलेट लाइनों में प्रवाह की स्थिति समान होती है, तो हवा-लुब्रिकेंट मिश्रण प्रवाह वितरक के भीतर समान रूप से विभाजित होता है। पूरी प्रणाली में एक टैंक, एक प्लजर पंप, प्रवाह वितरक और संबंधित स्प्रे नोजल शामिल हैं। सभी चलती घटकों को स्नेहक मॉड्यूल में एकीकृत किया जाता है, जो आसान पहुंच और प्रतिस्थापन की सुविधा प्रदान करता है। चूंकि न तो प्रवाह वितरक और न ही स्प्रे नोजल होते हैं, रखरखाव समय और लागत काफी कम हो जाती है।
CN
EN
ru
fr
de
es
pt
ar
hi
id
tr
it
pl
nl

